- Sign up
- Sign in
- HP Community
- Printers
- Printing Errors or Lights & Stuck Print Jobs
- Error code 143647C8
Options
- Mark Topic as New
- Mark Topic as Read
- Float this Topic for Current User
- Bookmark
- Subscribe
- Mute
- Printer Friendly Page
Create an account on the HP Community to personalize your profile and ask a question
Your account also allows you to connect with HP support faster, access a personal dashboard to manage all of your devices in one place, view warranty information, case status and more.
09-05-2021
03:46 PM
HP Recommended
- Mark as New
- Bookmark
- Subscribe
- Permalink
- Flag Post
Product: Laserjet Pro M479dw
Operating System: Microsoft Windows 10 (64-bit)
I am getting the error message and a blue screen. Rebooted multiple times… no solution. Is it salvageable?
Be alert for scammers posting fake support phone numbers and/or email addresses on the community.
If you think you have received a fake HP Support message, please report it to us by clicking on «Flag Post».
† The opinions expressed above are the personal opinions of the authors, not of HP. By using this site, you accept the Terms of Use and Rules of Participation.
-
English
Open Menu
† The opinions expressed above are the personal opinions of the authors, not of HP. By using this site, you accept the <a href=»https://www8.hp.com/us/en/terms-of-use.html» class=»udrlinesmall»>Terms of Use</a> and <a href=»/t5/custom/page/page-id/hp.rulespage» class=»udrlinesmall»> Rules of Participation</a>.
МФУ HP Color LaserJet Pro M153 / M154 / M180 / M181 / M254 / M280 / M281 заблокировал картриджи
Совсем недавно компания HP выпустила обновления для своих печатающих устройств, после установки которых принтеры серии HP Color LaserJet Pro M153 / M154 / M180 / M181 / M254 / M280 / M281 стали блокировать картриджи, т.е если Вы используете совместимые не оригинальные картриджи печать будет заблокирована. На данный момент есть два решения, первое это переставить чипы с оригинальных картриджей, но в этом случае есть пара нюансов, первое это не у всех есть эти оригинальные картриджи и втрое после установки старых чипов уровень расходных материалов не будет отображаться. Второй способ это откатить прошивку принтера. Сегодня расскажу как это сделать на примере HP Color LaserJet ProM281.
Данной модели я уже посвятил несколько статей, рекомендую с ними ознакомиться.
Принтеры серии HP Color LaserJet Pro M153 / M154 / M180 / M181 / M254 / M280 / M281 могут обновляться без участия пользователя, для этого им достаточно получить доступ к интернету, например, если такое устройство подключено по сети или Wi-Fi. После обновления на дисплеи принтера появиться сообщение.
HP Color LaserJet Pro MFP M479fdw m479 error Even code 59.72.00 toner cartridge print not clear
«Указанные картриджи заблокированы из-за наличия в них микросхемы стороннего производителя»
Для того чтобы точно установить причину блокировки не оригинальных картриджей, и узнать обновилась ли прошивка нужно зайти в меню «Обслуживание» и посмотреть версию микропрограммы.
Можно зайти в веб интерфейс и если не отображается статус расходных материалов значит МФУ точно обновилось.
Для того чтобы откатит прошивку, необходимо подключить устройство к компьютеру с помощью USB кабеля и скачать специальную программу для вашей модели, ссылки внизу статьи. Сам процес прошивки очень простой, запускаем скаченную утилиту запускаем выбираем модель МФУ и нажимаем «Send Firmware».
После чего начнется процесс прошивки, если по его окончанию вы увидите вот такой смайлик, значить все прошло удачно.
Factory Full Reset HP LaserJet Pro M479
Теперь в веб интерфейсе статус смениться на «Готов» и будет отображаться уровень расходных материалов.
Также должна поменяться версия микропрограммы.
Остается только отключить автоматическое обновления в настройках или отключить устройство от интернета.
Скачать прошивку для HP Color LaserJet Pro M153 / M154 — https://yadi.sk/d/WXvMikObQPaKqg
Скачать прошивку для HP Color LaserJet Pro M180 / M181 — https://yadi.sk/d/xIvDzc_cvFiIgA
Скачать прошивку для HP Color LaserJet Pro M254dw — https://yadi.sk/d/ZAh3tiPEqoTBSA
Скачать прошивку для HP Color LaserJet Pro M254nw — https://yadi.sk/d/p51FC1inXNMenw
Скачать прошивку для HP Color LaserJet Pro M280 / M281 — https://yadi.sk/d/IUibG5TaOMrSiw
Раздел: Периферия Метки: HP заблокировал картриджи
HP картриджи заблокированы : 13 комментариев
- alfaVEGO 04.12.2021 Хороший блог рекомендую. Помог мне разобраться, автор дает много полезных советов. Супер
Источник: sibsisadmin.ru
145547c8 hp m479 ошибка
КОНФЕРЕНЦИЯ СТАРТКОПИ
Принтеры, копировальные аппараты, МФУ, факсы и другая офисная техника:
вопросы ремонта, обслуживания, заправки, выбора
0. Dr. Shreder 20.11.20 13:12
Доброго всем здоровья.
Сегодня утром принтер выдал этот месидж. Распечатал отчет о состоянии принтера. В разделе События оборудования есть строка с содержимым Error Code: 0x143647c8 Host ID:0 File name:eicanon.cpp Line:5174
Впервые вижу такой код именно у принтера. Обычно у НР ХХ.ХХ.ХХ.ХХ, а тут BSOD какой-то.
В рунете вообще не нашел упоминания об этой ошибке, за забугорном сайте чел спросил, но ему не ответили! https://h30434.www3.hp.com/t5/ratings/ratingdetailpage/message-uid/7811731/rating-system/forum_topic_metoo#userlist
Можете подсказать, что с этим делать?
1. kgbeast 20.11.20 15:33
Dr. Shreder (0): Обычно у НР ХХ.ХХ.ХХ.ХХ, а тут BSOD какой-то. Теперь собственный проц с ОС не только на форматтере, но и у панели управления. Скорее всего этот код ошибки относится именно к «планшету».
2. staler 20.11.20 19:37
(1)ну нее. Это для старших машин именно с планшетом. Здесь тупо дисплей.
3. Dr. Shreder 23.11.20 11:36
(2) уважаемый staler!
Можете пояснить ваши слова?
staler (2): Здесь тупо дисплей.
Почему дисплей выдает «нестандартную» ошибку? Как-будто и прав (1), дисплей имеет своё собственное ПО!
На самом деле ФУХ! Аж страшно! К чему всё идёт! Ролик захвата бумаги будет иметь своё ПО.
По сути. Российская поддержка НР не в теме этой ошибки. Просили перед вызовом сервисника по гарантии обновить прошивку. Не нашёл пункта «Обновление принтера» в меню «Обслуживание принтера». (Видно, при первоначальной настройке, отключили автоматическое обновление). Решил сбросить в заводские настройки. (пожертвовав адресной книгой). Появился пункт!
Но, упирается обновляться по сети!
Техподдержка посоветовала по USB. Но! Пока искали кабель, пользователь заявил, что принтер работает! Ждём-с.
Принтеры, копировальные аппараты, МФУ, факсы и другая офисная техника:
вопросы ремонта, обслуживания, заправки, выбора
Переход в графическую версию
Источник: www.startcopy.su
testcopy.tech
HP LaserJet M478-479 откат прошивки (поиск решения)
Принтеры, МФУ, копиры любых форматов печати
Правила форума
Картинки и фотографии (если они нужны в сообщении) надо загружать только как вложения к своему сообщению (через кнопку Добавить файлы). Тогда картинки будут автоматически отображаться в сообщении.
Сообщений: 17 • Страница 1 из 1
Автор темы
asprit Сообщения: 1 Стаж: 6 месяцев
HP LaserJet M478-479 откат прошивки (поиск решения)
Сообщение asprit » 30 май 2022, 15:08
Имеется принтер M479, который с последней прошивкой от 14 марта категорически отказывается принимать совместимые картриджи.
Кто-нибудь видел рецепт отката прошивки без программатора у данных принтеров? Я только по M254/M280 нашел.
asprit
VVC Сообщения: 46 Стаж: 1 год Благодарил (а): 1 раз Поблагодарили: 10 раз Репутация:
HP LaserJet M478-479 откат прошивки (поиск решения)
Сообщение VVC » 02 июн 2022, 22:16
на старом форуме выкладывалась.
https://www.testcopy.ru/forum/viewtopic . 51лечению» принтера, наименее затратное из которых — это откат на предыдущую «июньскую» или ранее прошивку, которая пропускала совместимые картриджи с чипами от сторонних производителей. Основная сложность при этом — найти архивную рабочую прошивку, что в наш век интернета является вполне себе решаемой задачей. Далее дело техники: разрешаем в настройках МФУ переход на предыдущую версию прошивки, отменяем в следующем пункте автоматическое обновление аппарата, после чего вручную обновляемся скаченной с просторов интернета прошивкой. После выполненного даунгрейда важно проверить, что пункт автоматического обновления попрежнему неактивен и. наслаждаемся результатом.
К сожалению, как на войне не избежать жертв среди мирного населения, так и из-за ошибок во встроенном программном обеспечении в войне против поддельных и совместимых картриджей неизбежно пострадали пользователи, использующие исключительно оригинальную расходку.
Из нашей практики этому были подвержены аппараты серии HP Color LaserJet Pro M453, M454, M478, M479 . И ошибка возникала по голубому картриджу, т.е. имела код 10.01.11 . На фотографии выше именно этот случай. К сожалению, фокус с перепрошивкой для этих МФУ или не работал, или срабатывал на короткий срок. В случае гарантийной техники все заканчивалось лишь потерей времени: производитель охотно менял как сами аппараты, так и комплекты расходных материалов. Но и эти меры не давали уверенности в стабильной работе оборудования, известны случаи, когда потребитель проходил процедуру замены несколько раз. Только к июню 21 года проблемный код был исправлен.
Таким образом, у нас для владельцев HP Color LaserJet Pro M453, M454, M478, M479 две новости:
Новость хорошая
На данный момент все, что нужно сделать для исправления кода проверки и активации расходных материалов — предоставить МФУ доступ к интернету (при активированном пункте автоматического обновления), либо обновить вручную актуальной прошивкой с сайта HP . Вы это сделали? Поздравляем! Ваш аппарат официально прокачен и избавлен от дефекта, который несколько месяцев не давал покоя ни пользователям, ни сервисным центрам. Если же вы столкнулись с этой ошибкой до обновления, сожалеем, для вас
Так себе новость
Процедура решения проблемы возникновения ошибки памяти расходных материалов не подразумевает повторное использования «дефектных» картриджей, дословно:
Убедитесь, что принтер включен, а затем откройте переднюю крышку, чтобы удалить картридж с тонером, который находится в состоянии ошибки. Картриджи с тонером, на которых отображается сообщение «10.0x.11» или «Ошибка памяти расходных материалов», по-прежнему будут иметь эту ошибку, если они используются в разных принтерах. Утилизируйте дефектный картридж с тонером, так как эти картриджи с тонером нельзя использовать ни в одном принтере. Не заменяйте все четыре картриджа с тонером. Обязательно заменяйте только неисправный картридж с тонером.
К написанному стоит добавить, что помимо рассматриваемой в данной статье, данная ошибка может иметь механические или иные причины. Например, ненадёжное или отсутствующее соединение контактов картриджа и принтера, бракованный #чип в #картридже или выход из строя платы #принтера.
Источник: dzen.ru
Ремонт HP LJ M477, M377, M452, M479
На этой странице покажем, как выполняется ремонт HP LJ M477, , M377, M452, M479, а также Canon MF735/734/732. В нашем случае мы выполнили замену термопленки, резинового вала, а также термоэлемента. Работа очень сложная, на выезде невозможна, решается на аппаратном и программном уровне.
Инструкцию по разборке можно скачать здесь.
Ремонт печки HP LJ M477 — инструкция
Новая печка для HP LJ M477 стоит около 30000 рублей. Поэтому намного выгодней ее отремонтировать. Мы починили более 40 аппаратов HP LJ M477, M479 и M377 с неисправностью печки и имеем большой опыт ремонта.
Печка или узел закрепления в HP Color LaserJet Pro MFP M477 fdw, M377 и M452 находится сзади МФУ. Чтобы снять печку нужно снять боковые крышки, отсоединить все шлейфы справа и слева.
Снимаем защитную пластиковую крышку, отвинчиваем все винты крепления. Затем вынимаем узел закрепления.
Печка в HP LJ M477 очень странная. Во-первых, в этой печке два нагревателя со своей термопленкой. Один сверху резинового вала, другой снизу. Во-вторых, резиновый вал необычный, покрыт какой-то тефлоновой пленкой. Более того, тонер прижигается на бумагу именно резиновым валом. Не так, как везде. Обычно тонер прижигается со стороны термопленки.
Тут все наоборот. Нагреватель используется для нагрева резинового вала, который в свою очередь закрепляет изображение на бумаге.
Вынимаем термоузел. Видим, что термоэлемент прогорел в одном месте. Под этим местом пластик обуглился. Тщательно вычищать не нужно, потому что нагревательный элемент может сломаться под нагрузкой.
Замена термопленки M477, M377, M452, M479 и нагревательного элемента
Ошибка 50.2
Обрыв нагревательного элемента вызывает ошибку 50.2.
Если аппарат выдал ошибку нагревательного элемента 50.2, проверяем его. Замеряем сопротивление нагревательного элемента. Оно очень большое, т.е. нагревательный элемент в обрыве. Заменяем его. Попутно заметим, что этих нагревательных элементов в России мы не нашли.
Но у нас есть.
Замена термоэлемента
Смазываем фьюзерной смазкой, меняем термопленку и резиновый вал.
Купить нагревательный элемент можно тут. Пока в наличии есть.
Замена резинового вала HP LJ M477, M377, M452, M479
Резиновый вал в LJ M477 играет большое значение, потому что именно он контачит с бумагой и запекает тонер, а не термопленка. Последняя служит лишь для нагрева резинового вала. Сам вал покрыт специальной пленкой, к которой не пристает тонер. Но если пленка отслаивается, возникает дефект печати. Отслоение всегда носит специфический характер с формой полумесяца.
Причиной замены резинового вала является его повреждение. Очень похоже, что пленку на резиновом валу порвали отверткой или скрепкой. Из-за вала вышла из строя и термопленка.
Мы уже писали, что резиновый вал в HP LJ M477 особенный. Его свойства очень важны для хорошего качества печати. Но оказалось, что оригинальных резиновых валов в продаже нет. Поставщики поставляют только совместимые. И тут нас ждет полная засада. Есть два типа валов. Первый розовый, как оригинальный. Второй красный.
Красный вообще нельзя брать, в середине листа не закрепляет тонер совсем.
Розовый гораздо лучше, но тоже с проблемами. Первые листы выходят с плохой печатью, тонер не припекается в середине листа. Часть тонера остается на резиновом вале в середине и потом переносится на лист в виде повтора. При дальнейшей печати двоение уходит. Печать чистая до остывания принтера.
Затем все повторяется.
Но выход все же мы нашли. Однако это уже наше know-how. Обращайтесь в Комплэйс.
Стоимость замены термопленки и резинового вала 8000 рублей.
Попытки самостоятельной переделки печки
Некоторые мастера для лучшего прижигания тонера печкой подкладывают под температурные датчики термопленку. В результате температура в печке повышается, но неизвестно на сколько. В результате резиновый вал коробится и плавится.

Более того, пленка быстрее изнашивается, т.к. поднимается нагревательный элемент и давление увеличивается. При этом портится и поверхность нагревательного элемента.
Плохо кончается замена термопленки на металлизированную. Потому что вскоре металлизированная пленка изнашивается, рвется и повреждает резиновый вал. Изнашивается пленка с металлизацией намного быстрее обычной.
Ошибка печки 50.7
Ошибка 50.7 в узле закрепления HP M477, M377, M452, M479 и Canon MF735/734/732- это ошибка прижима валов.
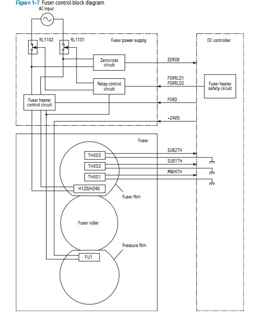
Принцип работы печки HP M477, M377, M452, M479 приведен ниже.
Электрическая схема управления узлом закрепления следующая.
В ней используются 3 вала: нагревательный с термоэлементом, резиновый и прижимной. На первом и третьем стоят термопленки. Второй, резиновый, прижигает тонер к бумаге.
Для контроля температуры используются 3 датчика (2 по краям и один между ними). Термопредохранитель находится в прижимном ролике. Валы разводятся и прижимаются электронно. Для синхронизации используется микропереключатель. Шестерни привода прижима синхронизируют — выставляют по меткам.
При неправильной сборке или ошибке переключателя возникнет ошибка 50.7.
Еще посетители сайта читают:
- HP LJ Pro M477 ошибка термоэлемента
- Как отремонтировать принтер HP
Добавить страницу в Закладки ctrl+D
Источник: www.complace.ru
Спустя какое-то время любая оргтехника начинает сбоить во время работы. Это также касается лазерных принтеров и МФУ Hawlett-Packard (HP). К счастью, данные устройства оснащены средством самодиагностики, которое информирует потребителя о возникшей проблеме. Вывод информации может осуществляться различными способами: специфическим миганием светодиодных индикаторов, появлением специальных кодов на сегментном дисплее, отображением информационных сообщений с кодом и описанием ошибки, а также вывод кода ошибки на персональный компьютер. В этой статье мы представим самые популярные коды ошибок лазерных принтеров HP с их расшифровкой и рекомендациями по устранению.
Коды ошибок лазерных принтеров и МФУ HP
Первое, что нужно знать, так это то, что ошибки работы оргтехники делятся на несколько видов. Есть коды ошибок обычного информационного характера, которые просто показывают потребителю, что в данный момент делает печатающее устройство. Например, 00 READY ON LINE с кодом 10001 указывает лишь на то, что печатающее устройство готово к работе. В свою очередь, предупреждающие или сервисные коды ошибок HP, как правило, информируют о скором окончании онера, либо о том, что пора заменить какой-либо расходник. Страшнее всего, когда на дисплее принтера HP, появляется код критической ошибки. Возникновение подобного сообщения, обычно указывает на серьезную проблему с печатающим устройством (к примеру, поломка механизма протяжки бумаги, привода или блока лазера).
Быстрее всего узнать о возникшей проблеме можно по светодиодным индикаторам. В зависимости от их состояния можно приблизительно определить, что произошло с печатающим аппаратом. В частности, речь идет о следующем (пример взят из официального мануала HP LaserJet Pro M1132, M12a, M12w, P1102, P1102s, P1102w, P1106, P1108, P1109 и P1109w):
- Постоянно мигает индикатор Wi-Fi (беспроводной связи или локальной сети). Указывает на то, что принтер не может подключиться к сети. Нужно перенастроить параметры подключения, либо заменить модуль Wi-Fi.
- Постоянно мигает светодиод индикатора ошибки. Таким образом, устройство предупреждает о проблеме с тонер-картриджем. Также может указывать на то, что открыта верхняя крышка или на образования замятия бумаги/постороннего предмета.
- Постоянно горят два индикатора (обычно, это светодиод готовности и ошибки). Указывает на возникновение критической ошибки. Лучше всего не искать причину, а сразу обратиться в сервисный центр.
Кроме того, если после нажатия кнопки включения, ни один светодиод не загорается и принтер также не осуществляет пуск, то, скорее всего, возникли проблемы с блоком питания печатающего устройства. Далее представим таблицы с самыми популярными кодами ошибок принтеров HP.
Основные группы кодов ошибок лазерных принтеров HP
|
Код ошибки принтера HP |
Расшифровка |
Описание |
|
HP 10XXX |
Обычные сообщения информационного характера. |
Такие коды сообщают о готовности работы принтера, об отсутствии подключения (HP 10002) и т.д. |
|
HP 102XX |
Информационные сообщения о том, что устройство нуждается в обслуживании. |
Например, информирует об окончании тонера в картридже, а также о том, что пора заменить расходный материал. |
|
HP 11XXX |
Предупреждающие сообщения, касающиеся загрузки бумаги. |
Выводятся, когда в одном или нескольких лотках отсутствует бумажный носитель. Также может указывать на некорректность выставленного размера бумаги. |
|
HP 12XYY |
Серия кодов для лотков подачи бумаги. |
Указывают на наличие/отсутствие бумаги, а также на различные сбои в работе. |
|
HP 15XXY |
Серия кодов для лотков приема бумаги. |
Указывают на наличие/отсутствие бумаги, а также на различные сбои в работе. |
|
HP 20XXX |
Ошибки синтаксических команд. |
Появляются тогда, когда система обнаруживает нелогические команды, посылаемые печатающему устройству. |
|
HP 25XXX |
Ошибки, вызванные нарушением синтаксиса команд. |
Появляются тогда, когда система обнаруживает нелогические команды, посылаемые печатающему устройству. |
|
HP 27XXX |
Ошибки семантических команд. |
Появляются тогда, когда система обнаруживает нелогические команды, посылаемые печатающему устройству. |
|
HP 30XXX |
Ошибки, которые автоматически могут быть устранены. |
Тип информационных кодов, которые указывают на временные сбои в работе устройства, по типу, память принтера заполнена и т.д. |
|
HP 32XXX |
Ошибки файловой системы PJL. |
Появляются тогда, когда система обнаруживает сбои в работе системы. |
|
HP 35XXX |
Ошибки, которые можно сразу же решить выполнением определенных команд и продолжить работу. |
Такие коды приходят на дисплей принтера вместе с рекомендациями по их устранению. Например, когда нужно увеличить объем памяти. |
|
HP 40XXX |
Ошибки, которые можно решить выполнением определенных команд, но работа устройства прерывается. |
Такие коды приходят на дисплей принтера вместе с рекомендациями по их устранению. Например, когда необходимо перезагрузить печатающий аппарат, по той или иной причине. |
|
HP 41XYY |
Сервисные сообщения, касающиеся загрузки бумаги. |
Выводятся, когда во всех лотках отсутствует бумажный носитель. Указывает на некорректность выставленного размера бумаги, а также проблемы в работе данных частей принтера. |
|
HP 42XYY |
Сообщают о наличии замятия бумаги или постороннего предмета (актуально для HP LaserJet 5Si/ 5SiMx). |
В зависимости от кода можно максимально точно определить причину замятия бумаги. |
|
HP 43XYY |
Предупреждающие сообщения о проблемах с подключенными модулями. |
Многие офисные МФУ способны расширять свой функционал, за счет дополнительно подключенных моделей (лотков, податчиков, ADF и т.д.). Если в них обнаружатся сбои, то именно данные коды об этом проинформируют. |
|
HP 44XYY |
Сообщают о наличии замятия бумаги или постороннего предмета (актуально для HP LaserJet 4000/ 5000). |
В зависимости от кода можно максимально точно определить причину замятия бумаги. |
|
HP 50XXX |
Группа ошибок, указывающих на механические проблемы принтера. |
Если у принтера начал сбоить какой-то узел (печка, система охлаждения, блок лазера и т.д.), то принтер выдаст сообщение с кодом ошибки данной серии. |
|
HP 55XXX |
Ошибки, касающиеся персональных настроек печатающего устройства. |
Обычно можно исправить сбросом и перенастройкой принтера. |
На практике, вместо [X] и [Y] в коде будет указанно уникальное цифровое значение, соответствующее той или иной ошибке.
Коды ошибок принтеров и МФУ HP, выводимые на штатный дисплей устройства
|
Код ошибки принтера HP |
Содержание |
Расшифровка |
|
HP 10001 |
Принтер готов к работе (00). |
Принтер находится в режиме готовности, либо ему требуется незначительное сервисное обслуживание. Можно перезагрузить или очистить память принтера. Еще может помочь сброс настроек до заводских. |
|
Принтеру требуется сервисное обслуживание (68). |
||
|
Память принтера заполнена. Настройки не могут быть сохранены (68). |
||
|
HP 10002 |
Принтер не готов к работе (00). |
Принтер не готов к работе. Включить/разбудить/перезагрузить. |
|
Устройство нуждается в обслуживании (68). |
||
|
HP 10003 |
Осуществляется прогрев принтера (02). |
Печатающее устройство находится в режиме прогрева. Немного подождать, либо перезагрузить МФУ. |
|
HP 10004 |
Проводится самодиагностика печатающего устройства (05). |
Принтер создает тестовый отпечаток. Дождаться окончания процесса печати, либо перезагрузить устройство. |
|
Осуществляется печать страницы диагностики (05). |
||
|
HP 10005 |
Перезагрузка памяти (07). |
Параметры или память принтера были сброшены. Перенастроить печатающее устройство. |
|
Очистка памяти (07). |
||
|
HP 10006 |
Низкий уровень тонера в картридже (16). |
В тонер-картридже заканчивается красящее вещество. Заправить или купить новый картридж. |
|
HP 10007 |
Задание отменено. |
Очистите память принтера и очередь печати. Перезагрузите или перенастройте устройство. |
|
HP 10010 |
Буфер памяти принтера переполнен. |
Очистите память принтера и очередь печати. Перезагрузите или перенастройте устройство. |
|
HP 10011 |
Осуществляется подключение или отсутствует связь с дополнительными модулями принтера (18). |
Переподключить дополнительные лотки и прочие модули. Перезагрузить МФУ. |
|
HP 10013 |
Осуществляется печать тестовой страницы (04). |
Принтер создает тестовый отпечаток. Дождаться окончания процесса печати, либо перезагрузить устройство. |
|
HP 10014 |
Осуществляется печать тестовой страницы или листа конфигурации (06). |
Дождаться окончания процесса печати, либо перезагрузить устройство. |
|
HP 10015 |
Осуществляется печать шрифтов, поддерживаемых принтером (06). |
Дождаться окончания процесса печати, либо перезагрузить устройство. |
|
HP 10016 |
Осуществляется печать теста работы узлов печатающего устройства (15). |
Дождаться окончания процесса печати, либо перезагрузить устройство. |
|
HP 10017 |
Осуществляется демо-печать (06). |
Дождаться окончания процесса печати, либо перезагрузить устройство. |
|
HP 10018 |
Включение режима сброса настроек (09). |
Выйти из режима, перезагрузить принтер, либо выполнить сброс параметров (если устройство нуждается в этом). |
|
HP 10019 |
Включение режима сброса параметров активных портов (09). |
Выйти из режима, перезагрузить принтер, либо выполнить сброс параметров (если устройство нуждается в этом). |
|
HP 10020 |
Включение режима сброса параметров всех портов (09). |
Выйти из режима, перезагрузить принтер, либо выполнить сброс параметров (если устройство нуждается в этом). |
|
HP 10021 |
Осуществление сброса параметров принтера, в том числе очистка NVRAM (08). |
Дождаться окончания процесса, либо перезагрузить устройство. |
|
HP 10022 |
Осуществляется печать листа конфигурации (06). |
Дождаться окончания процесса печати, либо перезагрузить устройство. |
|
HP 10023 |
Осуществляется обработка задания. |
Дождаться окончания процесса, либо перезагрузить устройство. |
|
HP 10024 |
Осуществляется передача данных. |
Нужно принять/отменить задание, дождаться окончания процесса или перезагрузить принтер. |
|
HP 10025 |
Отказ в доступе к той или иной функции МФУ. |
Перезагрузить принтер, обратиться в СЦ за помощью. |
|
HP 10026 |
Невозможно отменить задание. |
Перезагрузить принтер, обратиться в СЦ за помощью. |
|
HP 10027 |
Забился тракт подачи бумаги. |
Следует очистить тракт от посторонних предметов, устранить замятие. |
|
HP 10028 |
Осуществляется печать журнала событий. |
Дождаться окончания процесса печати, либо перезагрузить устройство. |
|
HP 10029 |
Осуществляется подача бумаги. |
Дождаться окончания процесса, перезагрузить принтер, устранить проблему. |
|
HP 10030 |
Ошибки, связанные с системой команд PJL. |
Перезагрузить ноутбук, сбросить настройки принтера. |
|
HP 10031 |
Осуществляется самоочистка устройства. |
Дождаться окончания процесса, перезагрузить принтер, почистить устройство самостоятельно. |
|
HP 10032 |
Принтер не может распознать совместимый картридж. |
Установить оригинальный картридж, прошить принтер, заменить чип картриджа, сменить главную плату. |
|
HP 10033 |
Введен неверный PIN-код. |
Заново ввести код, сбросить настройки принтера. |
|
HP 10034 |
Прерывание задания. |
Очистить очередь печати, перезагрузить принтер, проверить подключение. Если все хорошо, продолжить работу. |
|
HP 10035 |
Можно продолжить выполнение прерванного задания. |
Подтвердить или отменить действие. |
|
HP 10036 |
Осуществление повторного прогрева печатающего устройства. |
Дождаться окончания процесса, перезагрузить принтер. |
|
HP 10200 |
Заканчивается черный тонер, но принтер еще может печатать. |
Временно продолжить работу. После придется перезаправить картридж или купить новый. |
|
HP 10201 |
Заканчивается голубой тонер, но принтер еще может печатать. |
Временно продолжить работу. После придется перезаправить картридж или купить новый. |
|
HP 10202 |
Заканчивается пурпурный тонер, но принтер еще может печатать. |
Временно продолжить работу. После придется перезаправить картридж или купить новый. |
|
HP 10203 |
Заканчивается желтый тонер, но принтер еще может печатать. |
Временно продолжить работу. После придется перезаправить картридж или купить новый. |
|
HP 10204 |
Требуется замена фотобарабана. |
Следует осуществить замену указанного расходника. |
|
HP 10205 |
Требуется замена черного фотобарабана. |
Следует осуществить замену указанного расходника. |
|
HP 10206 |
Требуется замена голубого фотобарабана. |
Следует осуществить замену указанного расходника. |
|
HP 10207 |
Требуется замена пурпурного фотобарабана. |
Следует осуществить замену указанного расходника. |
|
HP 10208 |
Требуется замена желтого фотобарабана. |
Следует осуществить замену указанного расходника. |
|
HP 10209 |
Требуется замена черного картриджа. |
Следует осуществить замену указанного расходника. |
|
HP 10210 |
Требуется замена голубого картриджа. |
Следует осуществить замену указанного расходника. |
|
HP 10211 |
Требуется замена пурпурного картриджа. |
Следует осуществить замену указанного расходника. |
|
HP 10212 |
Требуется замена желтого картриджа. |
Следует осуществить замену указанного расходника. |
|
HP 10213-10403 |
Различные коды сервисного обслуживания принтера, связанные с использованием расходных материалов. |
Заправить/заменить картридж, восстановить/заменить блок фотобарабана и т.д. Все зависит от информации, указанной в описании ошибки. |
Внимание: Не пытайтесь самостоятельно починить печатающий аппарат, если не имеете опыта сервисного обслуживания оргтехники. Лучше доверьте дело специалисту.
Коды ошибок E-серии для лазерных принтеров и МФУ HP
|
Код ошибки принтера HP |
Расшифровка |
Варианты решения |
|
HP E0 |
Указывает на замятие бумаги или наличие постороннего предмета. |
Извлечь замявшийся лист или иной предмет. Почистить или заменить ролик захвата бумаги. Проверить датчик и механизм протяжки бумаги. |
|
HP E1 |
Информирует об отсутствии бумаги в лотке подачи или установленный размер не соответствует. |
Загрузить или поправить бумагу. Проверить ролик захвата. Сменить задание на печать. |
|
HP E2 |
Предупреждает о том, что открыта дверца или датчик вышел из строя. |
Открыть/закрыть все крышки, проверить защелку и датчик. |
|
HP E3 |
Принтер не видит или не может распознать картридж. |
Поправить картридж, снять защитную чеку/пленку, прочистить чип картриджа и принтера и т.д. Подробнее, читайте в статье «Что делать, если принтер не распознает картридж». Почистить контакты и осуществить сервисное обслуживание принтера и картриджа. |
|
HP E4 |
Память печатающего устройства заполнена или ее не хватает. |
Очистить память принтера, сбросить настройки, прошить или сменить главную плату. |
|
HP E5 |
Проблема в работе механизма захвата или протяжки бумаги. |
Проверить наличие бумаги в лотке, поправить листы, пододвинуть флажок, почистить/заменить ролик захвата, проверить механизм протяжки, энкодер и датчик. Заменить или прошить главную плату. |
|
HP E6 |
Неизвестная ошибка работы принтера. |
Провести диагностику и сервисное обслуживание печатающего устройства. |
|
HP E7 |
Неизвестная аппаратная ошибка работы принтера. |
Провести диагностику и сервисное обслуживание печатающего устройства. |
|
HP E8 |
Критическая ошибка в работе сканера. |
Лучше всего отнести МФУ в сервисный центр. Однако можно разобрать и поправить линейку, либо осмотреть шестеренки привода (заменить, отремонтировать). |
|
HP E9 |
Неизвестная критическая ошибка работы принтера. |
Провести диагностику и сервисное обслуживание печатающего устройства. |
|
HP E10 |
Проблема в подключении дополнительных модулей. |
Перезапустить печатающий аппарат, выполнить переподключение проблемного модуля, проверить/заменить шлейф. |
|
HP E20 |
Не хватает памяти принтера для печати материала. |
Перезапустить устройство, очистить память и очередь печати, сменить задачу на печать. |
|
HP E21 |
Заполнена память печатающего устройства. |
Перезапустить устройство, очистить память и очередь печати, сменить задачу на печать, добавить оперативной памяти. |
|
HP E22 |
Сбой LPT-подключения или несоответствия драйвера принтера. |
Переподключить устройство к ПК, заменить кабель, переустановить драйвер. |
Также сюда стоит отнести ошибку HP 13.А, которая указывает на проблему с деталями механизма подачи бумаги (соленоидом, датчиком и т.д.).
Коды ошибок HP LaserJet, указывающие на проблемы аппаратной части устройства
|
Код ошибки принтера HP |
Расшифровка |
|
HP 50000 |
Данный код появляется в случае возникновения неизвестной ошибки, в работе аппаратной части печатающего устройства. |
|
HP 50001 |
Ошибка одного или нескольких модулей памяти, размещенных на плате форматера. |
|
HP 50002 |
Ошибка модуля оперативной памяти главной платы принтера. |
|
HP 50003 |
Код указывает на проблему двигателя печки лазерного принтера. |
|
HP 50004 |
Сработал датчик лазера, указывающий на проблему данной детали. |
|
HP 50005 |
Проблема с приводом сканера (скорее всего связанная с зеркалом). |
|
HP 50006 |
Проблема в приводе кулера. |
|
HP 50007 |
Потеря связи между контроллером и главной платой принтера. |
|
HP 50008 |
Код указывает на низкую температуру термоэлемента печки принтера. |
|
HP 50009 |
Код указывает на долгий период прогрева печки принтера до нужной температуры. |
|
HP 50010 |
Код указывает на высокую температуру прогрева печки принтера (перегрев). |
|
HP 50011 |
Неизвестная проблема, связанная с печкой лазерного МФУ. |
|
HP 50012 |
Проблема в работе датчика луча лазера. |
|
HP 50013 |
Проблема, связанная с блоком лазера принтера. |
|
HP 50014 |
Ошибка старта работы сканера. |
|
HP 50015 |
Ошибка движения линейки сканера. |
|
HP 50016-50019; HP 50030-50036 |
Проблема в слабом вращении или поломке одного из вентиляторов. |
|
HP 50020 |
Проблемы с механизмом подачи бумаги верхнего лотка. |
|
HP 50021 |
Проблемы с механизмом подачи бумаги нижнего лотка. |
|
HP 50022 |
Проблемы с механизмом подачи бумаги универсального лотка. |
|
HP 50023 |
Ошибка пуска основного электромотора принтера. |
|
HP 50024 |
Ошибка работы основного электромотора принтера. |
|
HP 50025 |
Ошибка подключения дополнительных модулей (актуально для больших офисных МФУ). |
|
HP 50026 |
Ошибка работы дополнительных модулей (актуально для больших офисных МФУ). |
|
HP 50027 |
Проблема в работе дуплекса принтера или МФУ (модуля двусторонней печати). |
|
HP 50028 |
Нарушение контакта между форматером и другими частями печатающего аппарата. |
|
HP 50029 |
Проблема в обработке или получении данных платой форматера. |
|
HP 50048-50063 |
Неизвестные ошибки принтера, связанные с распределением питания. |
|
HP 50064 |
Ошибка датчика совмещения желтого цвета. |
|
HP 50065 |
Ошибка датчика совмещения пурпурного цвета. |
|
HP 50066 |
Ошибка датчика совмещения голубого цвета. |
|
HP 50067 |
Ошибка датчика совмещения черного цвета. |
|
HP 50068 |
Несоответствие диапазона плотности желтого цвета. |
|
HP 50069 |
Несоответствие диапазона плотности пурпурного цвета. |
|
HP 50070 |
Несоответствие диапазона плотности голубого цвета. |
|
HP 50071 |
Несоответствие диапазона плотности черного цвета. |
|
HP 50072 |
Ошибка, возникающая из-за несоответствия данных датчика фазовой калибровки фотобарабана для желтого цвета. |
|
HP 50073 |
Ошибка, возникающая из-за несоответствия данных датчика фазовой калибровки фотобарабана для пурпурного цвета. |
|
HP 50074 |
Ошибка, возникающая из-за несоответствия данных датчика фазовой калибровки фотобарабана для голубого цвета. |
|
HP 50075 |
Ошибка, возникающая из-за несоответствия данных датчика фазовой калибровки фотобарабана для черного цвета. |
|
HP 505XX |
Сбой в работе прошивки лазерного принтера HP. |
|
HP 50599 |
Проблема с питанием платы форматера. |
Важно: В данном случае представлена только расшифровка кодов ошибок HP, так как в большинстве случаев устранить проблему очень сложно, даже для квалифицированного специалиста. Поэтому чаще всего приходится просто заменять испорченную деталь принтера.
Прочие коды ошибок лазерной оргтехники HP
|
Код ошибки принтера HP |
Расшифровка |
Варианты решения |
|
HP 10.XX.YY |
Проблема считывания данных с чипа картриджа (часто сопровождается сообщением «SUPPLY MEMORY ERROR»). |
Переустановить картридж, установить оригинальный картридж HP или сбросить ошибку (подробнее, читайте в статье «Как исправить ошибку памяти картриджа HP»). |
|
HP 10.32.XX |
Принтер определил, что установлен неоригинальный картридж. |
Проигнорировать и пользоваться принтером дальше (может перестать отображаться ресурс картриджа, а также будет часто выскакивать информационное окно о необходимости использования оригинальной продукции). Если нет такой возможности, проблему нужно решать уже исходя из особенностей оргтехники (замена чипа картриджа, прошивка принтера и т.д.). |
|
HP 11.01 и HP 11.02 |
Принтер постоянно запрашивает установку дату и времени, либо они отображаются некорректно. |
Необходимо заменить батарею или форматер принтера. |
|
HP 13.XX.YY (13.A, 13.02.00, 13.03.XX, 13.05.XX, 13.06.XX, 13.12.00, 13.20.00, 13.21.00) |
Произошло замятие бумаги. |
Извлеките замятую бумагу или посторонний предмет. Перезагрузите принтер, проверьте датчики бумаги, а также механизм протяжки бумаги. |
|
HP 20 INSUFFICIENT MEMORY |
Перегрузка оперативной памяти принтера. |
Нажмите продолжить печать, но при этом часть данных может быть утеряна. Лучше переделать файл и отправить его заново на печать. Также можно попробовать очистить память принтера или расширить, за счет установки дополнительного модуля. |
|
HP 21 PAGE TOO COMPLEX |
Принтер не может сжать изображение из-за его сложности. |
Нажмите продолжить печать, но при этом часть данных может быть утеряна. Упростите задание для печати. |
|
HP 22 EIO BUFFER OVERFLOW (EMBEDDED, PARALLEL, USB) |
Переполнен буфер памяти принтера или передаются по определенному каналу слишком объемный материал. |
Нажать продолжить, но данные будут утеряны. Проверить соединения, переключить порты или заменить кабели. |
|
HP 40 EMBEDDED I/O BAD TRANSMISSION |
Ошибка передачи данных. |
Нажать продолжить, на данные будут утеряны. Перезагрузить принтер и отправить повторное задание. Переустановить/заменить серверную карту или плату форматера. |
|
HP 41.3 UNEXPECTED PAPER SIZE IN TRAY X |
Формат бумаги не соответствует заданным параметрам. |
Установить бумагу соответствующего формата или сменить настройки печати. Сменить лоток (если их несколько). Проверить работу механизма протяжки и всех датчиков бумаги. Избавить МФУ от наличия посторонних предметов. |
|
HP 41.5 UNEXPECTED TYPE IN TRAY X |
Тип бумаги не соответствует заданным параметрам. |
Установить бумагу соответствующего типа или сменить настройки печати. Сменить лоток (если их несколько). Проверить работу механизма протяжки и всех датчиков бумаги. Избавить МФУ от наличия посторонних предметов. |
|
HP 41.X ERROR |
Неизвестная ошибка, связанная с протягиванием бумаги. |
Можно попробовать перезагрузить МФУ, почистить ролики захвата бумаги, либо разбирать и искать проблему по пути следования бумаги. |
|
HP 49.XXXXX ERROR |
Критическая ошибка, связанная с микропрограммой (прошивкой, firmware) принтера. |
Перезагрузите принтер, после чего отмените все задания печати, очистите очередь, проверьте обновления для принтера (обновите) и снова попытайтесь печатать при помощи фирменного ПО. Не помогло, пробуйте наоборот понизить версию прошивки, либо перепрошить принтер, установив на него дамп с нового устройства. Замените плату форматера. |
|
HP 50.X FUSER ERROR |
Проблема в работе печки лазерного принтера. |
Выключить принтер и дать ему отдохнуть около 30 минут. Проверить блок печки, почистить и заменить термоэлемент (если он в этом нуждается). Заменить весь блок, БП или плату микроконтроллера. |
|
HP 51.1X ERROR |
Проблема в работе датчика синхронизации луча лазера. |
Перезагрузить МФУ, проверить контакты, шлейфы и различные подключения. Заменить блок лазера или плату микроконтроллера. |
|
HP 52.XX.0 PRINTER ERROR |
Проблема в работе драйвера двигателя лазерного блока. |
Перезагрузить МФУ, проверить контакты, шлейфы и различные подключения. Заменить блок лазера или плату микроконтроллера. |
|
HP 53.10.01 PRINTER ERROR |
Принтер не поддерживает модуль памяти DIMM. |
Перезагрузить принтер. Переустановить или заменить модуль памяти. Заменить форматер. |
|
HP 55.XX.YY DC CONTROLLER ERROR |
Ошибка контроллера DC. |
Перезагрузить принтер. Проверить соединения на плате контроллера, либо заменить плату. |
|
HP 56.XX ERROR |
Неизвестная ошибка, возникшая во время печати. |
Перезапустить принтер. Проверить все контакты. Провести диагностику. |
|
HP 57.XX PRINTER ERROR |
Проблема в работе вентилятора лазерного принтера. |
Проверить кулер на работоспособность, почистить, смазать или заменить. |
|
HP 58.XX ERROR |
Неизвестная ошибка, связанная с работой процессора принтера. |
Проверить все контакты платы контроллера или заменить ее. |
|
HP 59.XX ERROR Main Motor |
Проблема в работе главного электромотора принтера. |
Выключить принтер и дать ему немного отдохнуть. Разобрать и проверить подключения и сам электромотор. Заменить в случае неисправности. |
|
HP 62 NO SYSTEM |
Принтер не может обнаружить систему управления. |
Перезапустить печатающее устройство, обновить прошивку, сменить главную плату. |
|
HP 64 ERROR |
Неизвестная ошибка, связанная с буфером хранения данных для лазера. |
Перезапустить печатающее устройство, обновить прошивку, сменить главную плату. |
|
HP 68.X PERMANENT STORAGE FULL |
Ошибка, связанная с переполнением памяти NVRAM. |
Продолжить печать, перезапустить принтер, очистить буфер памяти. |
|
HP 79.XXXX ERROR |
Критическая ошибка, связанная с аппаратной частью принтера или МФУ. |
Здесь может быть все что угодно. Нужно перезагружать принтер, разбирать и искать проблему. Чаще всего, дело заключается в неисправности материнской платы устройства. |
|
HP 8X. XXXX EIO ERROR |
Критическая ошибка подключения дополнительного модуля. |
Перезапустить принтер, переподключить модуль, обновить прошивку. Заменить плату форматера. |
Внимание: Не пытайтесь самостоятельно починить печатающий аппарат, если не имеете опыта сервисного обслуживания оргтехники. Лучше доверьте дело специалисту.
Правила форума
Картинки и фотографии (если они нужны в сообщении) надо загружать только как вложения к своему сообщению (через кнопку Добавить файлы). Тогда картинки будут автоматически отображаться в сообщении.
-
asprit
- Сообщения: 1
- Стаж: 1 год
HP LaserJet M478-479 откат прошивки (поиск решения)
Сообщение
asprit » 30 май 2022, 15:08
Всем привет!
Имеется принтер M479, который с последней прошивкой от 14 марта категорически отказывается принимать совместимые картриджи.
Кто-нибудь видел рецепт отката прошивки без программатора у данных принтеров? Я только по M254/M280 нашел.
-
VVC
- Сообщения: 87
- Стаж: 1 год 5 месяцев
- Благодарил (а): 1 раз
- Поблагодарили: 18 раз
-
Репутация:
-
Lisoid
- Сообщения: 7
- Стаж: 9 месяцев
- Благодарил (а): 7 раз
- Поблагодарили: 3 раза
-
Репутация:
HP LaserJet M478-479 откат прошивки (поиск решения)
Сообщение
Lisoid » 26 авг 2022, 12:43
fenix454 писал(а): ↑26 авг 2022, 11:11
Lisoid писал(а): ↑17 авг 2022, 14:49
Для нормального обновления с флешки, нужно переименовать расширение RFU в FUL2. По другому принтер не увидит файла обновления.К сожалению флешку так же не видит после переименования расширения, можете подсказать как еще откатить прошивку?
Попробовать разные флешки. Я заливал с двухгиговой флехи, отформатированой в FAT32
-
fenix454
- Сообщения: 5
- Стаж: 9 месяцев
- Благодарил (а): 1 раз
- Поблагодарили: 1 раз
HP LaserJet M478-479 откат прошивки (поиск решения)
Сообщение
fenix454 » 26 авг 2022, 13:40
Lisoid писал(а): ↑26 авг 2022, 12:43
Попробовать разные флешки. Я заливал с двухгиговой флехи, отформатированой в FAT32
Получается флешку он видит, но почему то прошивку не видит. Может его как-то отдельно надо запускать? Делаю проверку обновлений, ничего не найдет. Откат на ранние версии включён
-
Lisoid
- Сообщения: 7
- Стаж: 9 месяцев
- Благодарил (а): 7 раз
- Поблагодарили: 3 раза
-
Репутация:
HP LaserJet M478-479 откат прошивки (поиск решения)
Сообщение
Lisoid » 26 авг 2022, 17:27
fenix454 писал(а): ↑26 авг 2022, 13:56
Lisoid писал(а): ↑26 авг 2022, 12:43
Попробовать разные флешки. Я заливал с двухгиговой флехи, отформатированой в FAT32Получается флешку он видит, но почему то прошивку не видит. Может его как-то отдельно надо запускать? Делаю проверку обновлений, ничего не найдет. Откат на ранние версии включён
У меня он не видел файл, пока я файлу расширение не поменял. Вставил флешку, и появились три пункта меню, самое правое было обновление.
-
Lisoid
- Сообщения: 7
- Стаж: 9 месяцев
- Благодарил (а): 7 раз
- Поблагодарили: 3 раза
-
Репутация:
HP LaserJet M478-479 откат прошивки (поиск решения)
Сообщение
Lisoid » 29 авг 2022, 09:09
Rexvil писал(а): ↑26 авг 2022, 17:45
Lisoid, ну расскажите всю последовательность ваших действий. Официально документированных способов обновления фирмваре 2 штуки и ни в одном не упоминается USB-flash карта
1. Скачал тут прошивку.
2. Залил на флешку.
2а. результата не было, принтер файл не увидел.
3. Прошерстил Гугл, именно его, нашел на форуме HP инфу по даунгрейду.
4. Переименовал расширение, как писал выше.
5. засунул флешку в принтер и увидел 3 пункта, в числе которых было Фирмвейр даунлоад.
6. нажал на этот пункт
7. дождался завершения прошивки.
8. отключил автообновления.
Все. Принтер увидел неоригинальные чипы.
Отправлено спустя 8 часов 28 минут 44 секунды:
Добавлю еще информацию. Сегодня именно наш, сервисный принтер не увидел обновление. Как оказалось, кто-то когда-то отключил вообще пункт в меню, обновления. Фактори резет и все, все прекрасно видится и обновляется.
-
fenix454
- Сообщения: 5
- Стаж: 9 месяцев
- Благодарил (а): 1 раз
- Поблагодарили: 1 раз
HP LaserJet M478-479 откат прошивки (поиск решения)
Сообщение
fenix454 » 26 сен 2022, 17:39
Lisoid писал(а): ↑29 авг 2022, 17:38
Rexvil писал(а): ↑26 авг 2022, 17:45
Lisoid, ну расскажите всю последовательность ваших действий. Официально документированных способов обновления фирмваре 2 штуки и ни в одном не упоминается USB-flash карта1. Скачал тут прошивку.
2. Залил на флешку.
2а. результата не было, принтер файл не увидел.
3. Прошерстил Гугл, именно его, нашел на форуме HP инфу по даунгрейду.
4. Переименовал расширение, как писал выше.
5. засунул флешку в принтер и увидел 3 пункта, в числе которых было Фирмвейр даунлоад.
6. нажал на этот пункт
7. дождался завершения прошивки.
8. отключил автообновления.
Все. Принтер увидел неоригинальные чипы.Отправлено спустя 8 часов 28 минут 44 секунды:
Добавлю еще информацию. Сегодня именно наш, сервисный принтер не увидел обновление. Как оказалось, кто-то когда-то отключил вообще пункт в меню, обновления. Фактори резет и все, все прекрасно видится и обновляется.
Спасибо большое! Конечно я решил иным способом, заменой чипов на картриджей.
-
aarus
- Сообщения: 2
- Стаж: 5 месяцев
HP LaserJet M478-479 откат прошивки (поиск решения)
Сообщение
aarus » 20 дек 2022, 11:12
Добрый день, тоже встрял с тем что принтер HP 479 сам обновил прошивку и теперь не принимает сторонние картриджи,
хочу сделать дайнгрейд прошивки принтера
скачал прошивку, сменил расширение HP_Color_LaserJet_Pro_M479_series_FW_002_1924A.FUL2
загрузил на 8 гб флешку в FAT32
Вставляю в принтер — он предлагает ее отформатировать для печати
Я чтото делаю не так? как запустить процесс даунгрейда?)
-
aarus
- Сообщения: 2
- Стаж: 5 месяцев
HP LaserJet M478-479 откат прошивки (поиск решения)
Сообщение
aarus » 20 дек 2022, 11:41
manik.76 писал(а): ↑20 дек 2022, 11:16
aarus писал(а): ↑20 дек 2022, 11:12
Вставляю в принтер — он предлагает ее отформатировать для печатиперезагрузите, прошивка на ХП начинается с момента инициализации…
А если он при включении просто включается как обычно — пробовать другие флешки? или еще чтото можно попробовать?
автообновления в HP включены, понижение прошивки — включено, шлешка fat32
Но выключаю принтер, потом включаю — ничего не происходит, кроме как стандартного включения и ругани на то что картриджи не совместимы)))
Отправлено спустя 1 час 58 минут 38 секунд:
Спасибо за ответ, переставил оригинальные чипы в неоригинальные картриджи
-
stezik
- Сообщения: 2
- Стаж: 5 месяцев
HP LaserJet M478-479 откат прошивки (поиск решения)
Сообщение
stezik » 26 дек 2022, 14:36
aarus писал(а): ↑20 дек 2022, 13:40
manik.76 писал(а): ↑20 дек 2022, 11:16
aarus писал(а): ↑20 дек 2022, 11:12
Вставляю в принтер — он предлагает ее отформатировать для печатиперезагрузите, прошивка на ХП начинается с момента инициализации…
А если он при включении просто включается как обычно — пробовать другие флешки? или еще чтото можно попробовать?
автообновления в HP включены, понижение прошивки — включено, шлешка fat32
Но выключаю принтер, потом включаю — ничего не происходит, кроме как стандартного включения и ругани на то что картриджи не совместимы)))Отправлено спустя 1 час 58 минут 38 секунд:
Спасибо за ответ, переставил оригинальные чипы в неоригинальные картриджи
Вот и у меня включается как обычно, ничего не происходит. Перестановка чипа не знаю как может помочь, потому что оригинальный заправлен и печатает что на нём, что не новом неоригинальном — одинаково не очень
-
Raziel
- Сообщения: 1
- Стаж: 8 месяцев
-
Репутация:
HP LaserJet M478-479 откат прошивки (поиск решения)
Сообщение
Raziel » 10 мар 2023, 13:32
Тоже столкнулся с проблемой понижения версии. Никак не хотел видеть файл ни в переднем, ни в заднем разъёме USB.
Скачал с сайта HP обновлялку, распаковал, переименовал файл старой прошивки в clearwater_dist_002.2247A_nonassert_appsigned_lbi_rootfs_secure_signed.ful2
Скопировал на флэшку, подключил в передний USB и принтер предложил обновиться.
На флэшке ещё были файлы и 1.rfu и 2.ful2, их аппарат проигнорировал.
-
NormRND
- Сообщения: 2
- Стаж: 2 месяца
- Поблагодарили: 1 раз
-
Репутация:
HP LaserJet M478-479 откат прошивки (поиск решения)
Сообщение
NormRND » 04 апр 2023, 23:36
Решение проблемы (обновление/откат без флешки):
1. Скачал прошивку «HP_Color_LaserJet_Pro_M479_series_FW_002_1924A.rfu» из ветки форма.
2. Скачал с сайта НР установщик обновлений по сети «HP_Color_LaserJet_Pro_M478_M479_series_FW_002_2310A.exe».
3. Распаковал установщик при помощи WinRar (там будет файл «clearwater_dist_002.2310A_nonassert_appsigned_lbi_rootfs_secure_signed.ful2»).
4. В распакованном удалил файл «clearwater_dist_002.2310A_nonassert_appsigned_lbi_rootfs_secure_signed.ful2».
5. Переименовал «HP_Color_LaserJet_Pro_M479_series_FW_002_1924A.rfu» на «clearwater_dist_002.2310A_nonassert_appsigned_lbi_rootfs_secure_signed.ful2» и закинул в папку.
6. Запустил «EnterpriseDU.exe» из распакованного.
Все обновилось (откатилось) штатно. Неоригинальные картриджи жрет.
-
Pickles
- Сообщения: 1
- Стаж: 1 месяц
- Поблагодарили: 2 раза
-
Репутация:
HP LaserJet M478-479 откат прошивки (поиск решения)
Сообщение
Pickles » 06 апр 2023, 13:15
Добавлю про обновление без флешки
Если вам как и мне не “повезло”, и у вас самая последняя прошивка, а программа для обновления говорит что обновить нельзя
Проделываем всё как в прошлом посте, кроме шестого пунка
1) Открываем EnterpriseDu.ini
2) Ищем строчку “FirmwareVersion=CLRWTRXXXN002.2310A.00”, меняем на “FirmwareVersion=CLRWTRXXXN002.2350A.00”
3) Запускаем “EnterpriseDU.exe”
Мне ни разу не написало про успешное обновление, но прошивка встала
Проверяйте версию прошивки на принтере или через веб морду
Спасибо NormRND за идею
-
NormRND
- Сообщения: 2
- Стаж: 2 месяца
- Поблагодарили: 1 раз
-
Репутация:
HP LaserJet M478-479 откат прошивки (поиск решения)
Сообщение
NormRND » 09 апр 2023, 14:56
Pickles писал(а): ↑06 апр 2023, 13:15
Добавлю про обновление без флешки
Если вам как и мне не “повезло”, и у вас самая последняя прошивка, а программа для обновления говорит что обновить нельзяПроделываем всё как в прошлом посте, кроме шестого пунка
1) Открываем EnterpriseDu.ini
2) Ищем строчку “FirmwareVersion=CLRWTRXXXN002.2310A.00”, меняем на “FirmwareVersion=CLRWTRXXXN002.2350A.00”
3) Запускаем “EnterpriseDU.exe”
Мне ни разу не написало про успешное обновление, но прошивка встала
Проверяйте версию прошивки на принтере или через веб мордуСпасибо NormRND за идею
Я не стал менять UpdateFile и FirmwareVersion, т.к. в не открываемых файлах они могли быть продублированы.
По моей инструкции принтер откатился обновлением, но на компьютере вылезла ошибка. Все работает штатно. Автообновления отключил.
-
vvz
- Сообщения: 1
- Стаж: 1 год 5 месяцев
HP LaserJet M478-479 откат прошивки (поиск решения)
Сообщение
vvz » 11 май 2023, 20:52
Сегодня откатывал прошивку на M479.
Способ без флешки не сработал — программа для обновления не увидела принтер.
Записал переименованный в clearwater_dist_002.2310A_nonassert_appsigned_lbi_rootfs_secure_signed.ful2 файл прошивки на флешку FAT32, вставил в передний USB — принтер сразу сам предложил обновиться, все прошло успешно.
-
Axx
- Сообщения: 1
- Стаж: 7 дней
HP LaserJet M478-479 откат прошивки (поиск решения)
Сообщение
Axx » 29 май 2023, 08:18
А что делать, если прошивка откатилась успешно, а картриджи без чипа так и продолжают быть в состоянии «Не удается прочитать данные картриджа»?
Принтер: HP Color LaserJet Pro MFP M479dw
Версия микропрограммы: CLRWTRXXXN002.1924A.00, Дата сборки 2019-06-11
В настройках отключено верефицировать картриджи, и проверять обновления прошивки. После перезагрузки без изменений.
-
- 28 Ответы
- 7546 Просмотры
-
Последнее сообщение
18 апр 2023, 16:04
-
- 2 Ответы
- 793 Просмотры
-
Последнее сообщение
30 июн 2022, 16:25
-
- 0 Ответы
- 486 Просмотры
-
Последнее сообщение
26 авг 2022, 10:04
-
- 18 Ответы
- 1821 Просмотры
-
Последнее сообщение
Вчера, 10:28
-
- 6 Ответы
- 1336 Просмотры
-
Последнее сообщение
02 июн 2023, 17:04
If the error started after you replaced the cartridge and tech support is stating that this error is caused by the cartridge then, assuming this is an OEM HP cartridge, tech support should have offered to replace it under the HP cartridge warranty. If not OEM then you will need to chase the vendor for a replacement.
If you find the information provided useful or solves your problems, help other users find the solution easier by giving kudos and marking my post as an accepted solution.
I am a volunteer, offering my knowledge to support fellow users, I do not work for HP nor speak for HP.
Если ваш принтер HP выдает значок «Error», этого говорит о том, что произошла ошибка принтера HP. В приведенной ниже таблице вы найдете самые распространенные ошибки принтера HP. Все популярные модели поддерживают указанные коды. Исключение могут составлять ранние или крупные современные принтеры. Например, IIP/IIIP или 9040/9050.
Если у вас возникнут вопросы насчет того, как исправить ошибку принтера HP, то вы можете обратиться к специалистам нашего сервисного центра.
Часто к нам обращаются, если отображается ошибка 10 на принтере HP. Это информационное сообщение, например, готовность принтера (READY), прогрев принтера (WARMING UP), мало тонера (Low Toner). Например, отображается на принтере hp ошибка 10.3100 или часто встречается на hp ошибка 10.99.31. Для решения данной проблемы необходимо обратиться к специалисту. Другой проблемой является 510010 ошибка HP, связанная с неисправностью лазера-сканера или лазерного блока.
| Код, который дает принтер hp | Неисправность | Решение |
| 13.3.хх | Замятие бумаги |
|
| 13.5.хх | Замятие бумаги в термоблоке |
|
| 13.6.хх | Замятие бумаги на выходе из термоблока |
|
| 13.9.хх | Замятие бумаги в левой части принтера |
|
| 13.20.хх | Общая ошибка замятия бумаги | Требуется произвести детальный осмотр всей системы подачи бумаги, регистрации, тракта движения, контактов солиноидов и приводов тракта подачи бумаги, транспортеров движения до термоблока, термоблока и системы вывода отпечатка. В редких случаях такой код является предвестником неисправности датчиков регистрации и датчиков пути движения листа, а так же неисправностью DC-Controller. |
| 13.A | Общая ошибка замятия бумаги | Еще одна разновидность ошибки 13.20.хх |
| 20 | ОШИБКА | Ошибка памяти. Очистите очередь печати. Повторите попытку снова. При повторном проявлении неисправности следует добавить в принтер оперативной памяти (DIMM). |
| 21 | ОШИБКА | Ошибка памяти. Очистите очередь печати. Повторите попытку снова. При повторном проявлении неисправности следует установить в меню PAGE PROTECT из положения «ON» в положение «AUTO». Ели неисправность не пропадает следует добавить в принтер оперативной памяти (DIMM). |
| 22 EIO | Ошибка EIO протокола | Текущий (используемый) MIO протокол возможно занят (используется другим устройством). Измените настройки сети. |
| 22 PARALLEL I/O | Ошибка параллельного порта | Обычно происходит при использовании не совместимых с данным принтером драйверов (драйвер не использует IEEE-1284), неисправностью кобеля ценроникс-битроникс, и ошибками ввода-вывода. Переустановите драйвер, замените кабель. |
| 22 SERIAL I/O | Данные не могут быть отправлены в порт принтера. | Проверьте установки в I/O Menu принтера. Сравните их с установками порта компьютера. Через I/O Menu принтера сопоставьте установки порта компьютера с установками принтера (в принтере). |
| 40 BAD SERIAL TRANSSMISION | Ошибка сетевой карты принтера |
|
| 40 EIO x BAD TRANSSMISION | Ошибка сетевой карты принтера |
|
| 41.х | Совокупная ошибка лазер-сканера (кроме 41.3) |
|
| 41.3 | Ошибка размера бумаги |
|
| 50.х | Ошибка термоблока, где х -это:
|
|
| 51.х | Ошибка лазер-сканера где х – это:
|
|
| 52.х | Ошибка лазер-сканера где х – это:
|
|
| 53.хх.хх | Ошибка штатно установленной/дополнительно установленной памяти принтера |
|
| 55.х | Ошибка питания | Сводный системный сбой. Выключить-включить принтер. Проверить сеть 220В. |
| 56.х | Ошибка ввода-вывода | Используемый в настоящее время драйвер не смог настроить конфигурацию принтера автоматически. Переустановить драйвер. |
| 57.х FAN FAILURE | Ошибка вентилятора принтера, где х – это: 3-вентилятор лазер-сканера (FAN2) 5-главный вентилятор, обнаружено низкое сопротивление или отсутствие сопративления 9-вентилятор лотка №1 2-вентилятор форматора (FAN3) 6-вентилятор верхнего топа (FAN4) | 1. Проверить кабели вентиляторов согласно таблице значений «Х». 2. Заменить вышедший из строя вентилятор. |
| 58.х | Ошибка поднятия (лифта) лотка, где х – это номер лотка. |
|
| 59.х | Ошибка главного мотора, где х – это:
|
|
| 62.х | Ошибка модулей DIMM. Где х – это:
|
Заменить неисправный модуль DIMM |
| 64 | Ошибка процессора форматора | Заменить форматор |
| 68 NVRAM ERROR/ NVRAM FULL | Ошибка временной памяти принтера |
|
| 69.x | Ошибка дуплекса, где х – это:
|
1. Включите-выключите принтер 2. Произведите профилактику дуплекса 3. Замените дуплекс |
| 79.хххх | Сводная ошибка управления данными принтера. |
|
| 8х.хххх | Ошибка сетевой карты |
|
| BAD OPT TRAY CONECTION | Ошибка дополнительного лотка |
|
| CHECK INPUT/OUTPUT DEVICE | Замятие бумаги | Бумага замялась до картриджа/ после картриджа. Удалить бумагу, при частом повторении неисправности произвести профилактику аппарата и по необходимости замену роликов подачи бумаги |
Спустя какое-то время любая оргтехника начинает сбоить во время работы. Это также касается лазерных принтеров и МФУ Hawlett-Packard (HP). К счастью, данные устройства оснащены средством самодиагностики, которое информирует потребителя о возникшей проблеме. Вывод информации может осуществляться различными способами: специфическим миганием светодиодных индикаторов, появлением специальных кодов на сегментном дисплее, отображением информационных сообщений с кодом и описанием ошибки, а также вывод кода ошибки на персональный компьютер. В этой статье мы представим самые популярные коды ошибок лазерных принтеров HP с их расшифровкой и рекомендациями по устранению.
Первое, что нужно знать, так это то, что ошибки работы оргтехники делятся на несколько видов. Есть коды ошибок обычного информационного характера, которые просто показывают потребителю, что в данный момент делает печатающее устройство. Например, 00 READY ON LINE с кодом 10001 указывает лишь на то, что печатающее устройство готово к работе. В свою очередь, предупреждающие или сервисные коды ошибок HP, как правило, информируют о скором окончании онера, либо о том, что пора заменить какой-либо расходник. Страшнее всего, когда на дисплее принтера HP, появляется код критической ошибки. Возникновение подобного сообщения, обычно указывает на серьезную проблему с печатающим устройством (к примеру, поломка механизма протяжки бумаги, привода или блока лазера).
Быстрее всего узнать о возникшей проблеме можно по светодиодным индикаторам. В зависимости от их состояния можно приблизительно определить, что произошло с печатающим аппаратом. В частности, речь идет о следующем (пример взят из официального мануала HP LaserJet Pro M1132, M12a, M12w, P1102, P1102s, P1102w, P1106, P1108, P1109 и P1109w):
- Постоянно мигает индикатор Wi-Fi (беспроводной связи или локальной сети). Указывает на то, что принтер не может подключиться к сети. Нужно перенастроить параметры подключения, либо заменить модуль Wi-Fi.
- Постоянно мигает светодиод индикатора ошибки. Таким образом, устройство предупреждает о проблеме с тонер-картриджем. Также может указывать на то, что открыта верхняя крышка или на образования замятия бумаги/постороннего предмета.
- Постоянно горят два индикатора (обычно, это светодиод готовности и ошибки). Указывает на возникновение критической ошибки. Лучше всего не искать причину, а сразу обратиться в сервисный центр.
Кроме того, если после нажатия кнопки включения, ни один светодиод не загорается и принтер также не осуществляет пуск, то, скорее всего, возникли проблемы с блоком питания печатающего устройства. Далее представим таблицы с самыми популярными кодами ошибок принтеров HP.
Основные группы кодов ошибок лазерных принтеров HP
|
Код ошибки принтера HP |
Расшифровка |
Описание |
|
HP 10XXX |
Обычные сообщения информационного характера. |
Такие коды сообщают о готовности работы принтера, об отсутствии подключения (HP 10002) и т.д. |
|
HP 102XX |
Информационные сообщения о том, что устройство нуждается в обслуживании. |
Например, информирует об окончании тонера в картридже, а также о том, что пора заменить расходный материал. |
|
HP 11XXX |
Предупреждающие сообщения, касающиеся загрузки бумаги. |
Выводятся, когда в одном или нескольких лотках отсутствует бумажный носитель. Также может указывать на некорректность выставленного размера бумаги. |
|
HP 12XYY |
Серия кодов для лотков подачи бумаги. |
Указывают на наличие/отсутствие бумаги, а также на различные сбои в работе. |
|
HP 15XXY |
Серия кодов для лотков приема бумаги. |
Указывают на наличие/отсутствие бумаги, а также на различные сбои в работе. |
|
HP 20XXX |
Ошибки синтаксических команд. |
Появляются тогда, когда система обнаруживает нелогические команды, посылаемые печатающему устройству. |
|
HP 25XXX |
Ошибки, вызванные нарушением синтаксиса команд. |
Появляются тогда, когда система обнаруживает нелогические команды, посылаемые печатающему устройству. |
|
HP 27XXX |
Ошибки семантических команд. |
Появляются тогда, когда система обнаруживает нелогические команды, посылаемые печатающему устройству. |
|
HP 30XXX |
Ошибки, которые автоматически могут быть устранены. |
Тип информационных кодов, которые указывают на временные сбои в работе устройства, по типу, память принтера заполнена и т.д. |
|
HP 32XXX |
Ошибки файловой системы PJL. |
Появляются тогда, когда система обнаруживает сбои в работе системы. |
|
HP 35XXX |
Ошибки, которые можно сразу же решить выполнением определенных команд и продолжить работу. |
Такие коды приходят на дисплей принтера вместе с рекомендациями по их устранению. Например, когда нужно увеличить объем памяти. |
|
HP 40XXX |
Ошибки, которые можно решить выполнением определенных команд, но работа устройства прерывается. |
Такие коды приходят на дисплей принтера вместе с рекомендациями по их устранению. Например, когда необходимо перезагрузить печатающий аппарат, по той или иной причине. |
|
HP 41XYY |
Сервисные сообщения, касающиеся загрузки бумаги. |
Выводятся, когда во всех лотках отсутствует бумажный носитель. Указывает на некорректность выставленного размера бумаги, а также проблемы в работе данных частей принтера. |
|
HP 42XYY |
Сообщают о наличии замятия бумаги или постороннего предмета (актуально для HP LaserJet 5Si/ 5SiMx). |
В зависимости от кода можно максимально точно определить причину замятия бумаги. |
|
HP 43XYY |
Предупреждающие сообщения о проблемах с подключенными модулями. |
Многие офисные МФУ способны расширять свой функционал, за счет дополнительно подключенных моделей (лотков, податчиков, ADF и т.д.). Если в них обнаружатся сбои, то именно данные коды об этом проинформируют. |
|
HP 44XYY |
Сообщают о наличии замятия бумаги или постороннего предмета (актуально для HP LaserJet 4000/ 5000). |
В зависимости от кода можно максимально точно определить причину замятия бумаги. |
|
HP 50XXX |
Группа ошибок, указывающих на механические проблемы принтера. |
Если у принтера начал сбоить какой-то узел (печка, система охлаждения, блок лазера и т.д.), то принтер выдаст сообщение с кодом ошибки данной серии. |
|
HP 55XXX |
Ошибки, касающиеся персональных настроек печатающего устройства. |
Обычно можно исправить сбросом и перенастройкой принтера. |
На практике, вместо [X] и [Y] в коде будет указанно уникальное цифровое значение, соответствующее той или иной ошибке.
Коды ошибок принтеров и МФУ HP, выводимые на штатный дисплей устройства
|
Код ошибки принтера HP |
Содержание |
Расшифровка |
|
HP 10001 |
Принтер готов к работе (00). |
Принтер находится в режиме готовности, либо ему требуется незначительное сервисное обслуживание. Можно перезагрузить или очистить память принтера. Еще может помочь сброс настроек до заводских. |
|
Принтеру требуется сервисное обслуживание (68). |
||
|
Память принтера заполнена. Настройки не могут быть сохранены (68). |
||
|
HP 10002 |
Принтер не готов к работе (00). |
Принтер не готов к работе. Включить/разбудить/перезагрузить. |
|
Устройство нуждается в обслуживании (68). |
||
|
HP 10003 |
Осуществляется прогрев принтера (02). |
Печатающее устройство находится в режиме прогрева. Немного подождать, либо перезагрузить МФУ. |
|
HP 10004 |
Проводится самодиагностика печатающего устройства (05). |
Принтер создает тестовый отпечаток. Дождаться окончания процесса печати, либо перезагрузить устройство. |
|
Осуществляется печать страницы диагностики (05). |
||
|
HP 10005 |
Перезагрузка памяти (07). |
Параметры или память принтера были сброшены. Перенастроить печатающее устройство. |
|
Очистка памяти (07). |
||
|
HP 10006 |
Низкий уровень тонера в картридже (16). |
В тонер-картридже заканчивается красящее вещество. Заправить или купить новый картридж. |
|
HP 10007 |
Задание отменено. |
Очистите память принтера и очередь печати. Перезагрузите или перенастройте устройство. |
|
HP 10010 |
Буфер памяти принтера переполнен. |
Очистите память принтера и очередь печати. Перезагрузите или перенастройте устройство. |
|
HP 10011 |
Осуществляется подключение или отсутствует связь с дополнительными модулями принтера (18). |
Переподключить дополнительные лотки и прочие модули. Перезагрузить МФУ. |
|
HP 10013 |
Осуществляется печать тестовой страницы (04). |
Принтер создает тестовый отпечаток. Дождаться окончания процесса печати, либо перезагрузить устройство. |
|
HP 10014 |
Осуществляется печать тестовой страницы или листа конфигурации (06). |
Дождаться окончания процесса печати, либо перезагрузить устройство. |
|
HP 10015 |
Осуществляется печать шрифтов, поддерживаемых принтером (06). |
Дождаться окончания процесса печати, либо перезагрузить устройство. |
|
HP 10016 |
Осуществляется печать теста работы узлов печатающего устройства (15). |
Дождаться окончания процесса печати, либо перезагрузить устройство. |
|
HP 10017 |
Осуществляется демо-печать (06). |
Дождаться окончания процесса печати, либо перезагрузить устройство. |
|
HP 10018 |
Включение режима сброса настроек (09). |
Выйти из режима, перезагрузить принтер, либо выполнить сброс параметров (если устройство нуждается в этом). |
|
HP 10019 |
Включение режима сброса параметров активных портов (09). |
Выйти из режима, перезагрузить принтер, либо выполнить сброс параметров (если устройство нуждается в этом). |
|
HP 10020 |
Включение режима сброса параметров всех портов (09). |
Выйти из режима, перезагрузить принтер, либо выполнить сброс параметров (если устройство нуждается в этом). |
|
HP 10021 |
Осуществление сброса параметров принтера, в том числе очистка NVRAM (08). |
Дождаться окончания процесса, либо перезагрузить устройство. |
|
HP 10022 |
Осуществляется печать листа конфигурации (06). |
Дождаться окончания процесса печати, либо перезагрузить устройство. |
|
HP 10023 |
Осуществляется обработка задания. |
Дождаться окончания процесса, либо перезагрузить устройство. |
|
HP 10024 |
Осуществляется передача данных. |
Нужно принять/отменить задание, дождаться окончания процесса или перезагрузить принтер. |
|
HP 10025 |
Отказ в доступе к той или иной функции МФУ. |
Перезагрузить принтер, обратиться в СЦ за помощью. |
|
HP 10026 |
Невозможно отменить задание. |
Перезагрузить принтер, обратиться в СЦ за помощью. |
|
HP 10027 |
Забился тракт подачи бумаги. |
Следует очистить тракт от посторонних предметов, устранить замятие. |
|
HP 10028 |
Осуществляется печать журнала событий. |
Дождаться окончания процесса печати, либо перезагрузить устройство. |
|
HP 10029 |
Осуществляется подача бумаги. |
Дождаться окончания процесса, перезагрузить принтер, устранить проблему. |
|
HP 10030 |
Ошибки, связанные с системой команд PJL. |
Перезагрузить ноутбук, сбросить настройки принтера. |
|
HP 10031 |
Осуществляется самоочистка устройства. |
Дождаться окончания процесса, перезагрузить принтер, почистить устройство самостоятельно. |
|
HP 10032 |
Принтер не может распознать совместимый картридж. |
Установить оригинальный картридж, прошить принтер, заменить чип картриджа, сменить главную плату. |
|
HP 10033 |
Введен неверный PIN-код. |
Заново ввести код, сбросить настройки принтера. |
|
HP 10034 |
Прерывание задания. |
Очистить очередь печати, перезагрузить принтер, проверить подключение. Если все хорошо, продолжить работу. |
|
HP 10035 |
Можно продолжить выполнение прерванного задания. |
Подтвердить или отменить действие. |
|
HP 10036 |
Осуществление повторного прогрева печатающего устройства. |
Дождаться окончания процесса, перезагрузить принтер. |
|
HP 10200 |
Заканчивается черный тонер, но принтер еще может печатать. |
Временно продолжить работу. После придется перезаправить картридж или купить новый. |
|
HP 10201 |
Заканчивается голубой тонер, но принтер еще может печатать. |
Временно продолжить работу. После придется перезаправить картридж или купить новый. |
|
HP 10202 |
Заканчивается пурпурный тонер, но принтер еще может печатать. |
Временно продолжить работу. После придется перезаправить картридж или купить новый. |
|
HP 10203 |
Заканчивается желтый тонер, но принтер еще может печатать. |
Временно продолжить работу. После придется перезаправить картридж или купить новый. |
|
HP 10204 |
Требуется замена фотобарабана. |
Следует осуществить замену указанного расходника. |
|
HP 10205 |
Требуется замена черного фотобарабана. |
Следует осуществить замену указанного расходника. |
|
HP 10206 |
Требуется замена голубого фотобарабана. |
Следует осуществить замену указанного расходника. |
|
HP 10207 |
Требуется замена пурпурного фотобарабана. |
Следует осуществить замену указанного расходника. |
|
HP 10208 |
Требуется замена желтого фотобарабана. |
Следует осуществить замену указанного расходника. |
|
HP 10209 |
Требуется замена черного картриджа. |
Следует осуществить замену указанного расходника. |
|
HP 10210 |
Требуется замена голубого картриджа. |
Следует осуществить замену указанного расходника. |
|
HP 10211 |
Требуется замена пурпурного картриджа. |
Следует осуществить замену указанного расходника. |
|
HP 10212 |
Требуется замена желтого картриджа. |
Следует осуществить замену указанного расходника. |
|
HP 10213-10403 |
Различные коды сервисного обслуживания принтера, связанные с использованием расходных материалов. |
Заправить/заменить картридж, восстановить/заменить блок фотобарабана и т.д. Все зависит от информации, указанной в описании ошибки. |
Внимание: Не пытайтесь самостоятельно починить печатающий аппарат, если не имеете опыта сервисного обслуживания оргтехники. Лучше доверьте дело специалисту.
Коды ошибок E-серии для лазерных принтеров и МФУ HP
|
Код ошибки принтера HP |
Расшифровка |
Варианты решения |
|
HP E0 |
Указывает на замятие бумаги или наличие постороннего предмета. |
Извлечь замявшийся лист или иной предмет. Почистить или заменить ролик захвата бумаги. Проверить датчик и механизм протяжки бумаги. |
|
HP E1 |
Информирует об отсутствии бумаги в лотке подачи или установленный размер не соответствует. |
Загрузить или поправить бумагу. Проверить ролик захвата. Сменить задание на печать. |
|
HP E2 |
Предупреждает о том, что открыта дверца или датчик вышел из строя. |
Открыть/закрыть все крышки, проверить защелку и датчик. |
|
HP E3 |
Принтер не видит или не может распознать картридж. |
Поправить картридж, снять защитную чеку/пленку, прочистить чип картриджа и принтера и т.д. Подробнее, читайте в статье «Что делать, если принтер не распознает картридж». Почистить контакты и осуществить сервисное обслуживание принтера и картриджа. |
|
HP E4 |
Память печатающего устройства заполнена или ее не хватает. |
Очистить память принтера, сбросить настройки, прошить или сменить главную плату. |
|
HP E5 |
Проблема в работе механизма захвата или протяжки бумаги. |
Проверить наличие бумаги в лотке, поправить листы, пододвинуть флажок, почистить/заменить ролик захвата, проверить механизм протяжки, энкодер и датчик. Заменить или прошить главную плату. |
|
HP E6 |
Неизвестная ошибка работы принтера. |
Провести диагностику и сервисное обслуживание печатающего устройства. |
|
HP E7 |
Неизвестная аппаратная ошибка работы принтера. |
Провести диагностику и сервисное обслуживание печатающего устройства. |
|
HP E8 |
Критическая ошибка в работе сканера. |
Лучше всего отнести МФУ в сервисный центр. Однако можно разобрать и поправить линейку, либо осмотреть шестеренки привода (заменить, отремонтировать). |
|
HP E9 |
Неизвестная критическая ошибка работы принтера. |
Провести диагностику и сервисное обслуживание печатающего устройства. |
|
HP E10 |
Проблема в подключении дополнительных модулей. |
Перезапустить печатающий аппарат, выполнить переподключение проблемного модуля, проверить/заменить шлейф. |
|
HP E20 |
Не хватает памяти принтера для печати материала. |
Перезапустить устройство, очистить память и очередь печати, сменить задачу на печать. |
|
HP E21 |
Заполнена память печатающего устройства. |
Перезапустить устройство, очистить память и очередь печати, сменить задачу на печать, добавить оперативной памяти. |
|
HP E22 |
Сбой LPT-подключения или несоответствия драйвера принтера. |
Переподключить устройство к ПК, заменить кабель, переустановить драйвер. |
Также сюда стоит отнести ошибку HP 13.А, которая указывает на проблему с деталями механизма подачи бумаги (соленоидом, датчиком и т.д.).
Коды ошибок HP LaserJet, указывающие на проблемы аппаратной части устройства
|
Код ошибки принтера HP |
Расшифровка |
|
HP 50000 |
Данный код появляется в случае возникновения неизвестной ошибки, в работе аппаратной части печатающего устройства. |
|
HP 50001 |
Ошибка одного или нескольких модулей памяти, размещенных на плате форматера. |
|
HP 50002 |
Ошибка модуля оперативной памяти главной платы принтера. |
|
HP 50003 |
Код указывает на проблему двигателя печки лазерного принтера. |
|
HP 50004 |
Сработал датчик лазера, указывающий на проблему данной детали. |
|
HP 50005 |
Проблема с приводом сканера (скорее всего связанная с зеркалом). |
|
HP 50006 |
Проблема в приводе кулера. |
|
HP 50007 |
Потеря связи между контроллером и главной платой принтера. |
|
HP 50008 |
Код указывает на низкую температуру термоэлемента печки принтера. |
|
HP 50009 |
Код указывает на долгий период прогрева печки принтера до нужной температуры. |
|
HP 50010 |
Код указывает на высокую температуру прогрева печки принтера (перегрев). |
|
HP 50011 |
Неизвестная проблема, связанная с печкой лазерного МФУ. |
|
HP 50012 |
Проблема в работе датчика луча лазера. |
|
HP 50013 |
Проблема, связанная с блоком лазера принтера. |
|
HP 50014 |
Ошибка старта работы сканера. |
|
HP 50015 |
Ошибка движения линейки сканера. |
|
HP 50016-50019; HP 50030-50036 |
Проблема в слабом вращении или поломке одного из вентиляторов. |
|
HP 50020 |
Проблемы с механизмом подачи бумаги верхнего лотка. |
|
HP 50021 |
Проблемы с механизмом подачи бумаги нижнего лотка. |
|
HP 50022 |
Проблемы с механизмом подачи бумаги универсального лотка. |
|
HP 50023 |
Ошибка пуска основного электромотора принтера. |
|
HP 50024 |
Ошибка работы основного электромотора принтера. |
|
HP 50025 |
Ошибка подключения дополнительных модулей (актуально для больших офисных МФУ). |
|
HP 50026 |
Ошибка работы дополнительных модулей (актуально для больших офисных МФУ). |
|
HP 50027 |
Проблема в работе дуплекса принтера или МФУ (модуля двусторонней печати). |
|
HP 50028 |
Нарушение контакта между форматером и другими частями печатающего аппарата. |
|
HP 50029 |
Проблема в обработке или получении данных платой форматера. |
|
HP 50048-50063 |
Неизвестные ошибки принтера, связанные с распределением питания. |
|
HP 50064 |
Ошибка датчика совмещения желтого цвета. |
|
HP 50065 |
Ошибка датчика совмещения пурпурного цвета. |
|
HP 50066 |
Ошибка датчика совмещения голубого цвета. |
|
HP 50067 |
Ошибка датчика совмещения черного цвета. |
|
HP 50068 |
Несоответствие диапазона плотности желтого цвета. |
|
HP 50069 |
Несоответствие диапазона плотности пурпурного цвета. |
|
HP 50070 |
Несоответствие диапазона плотности голубого цвета. |
|
HP 50071 |
Несоответствие диапазона плотности черного цвета. |
|
HP 50072 |
Ошибка, возникающая из-за несоответствия данных датчика фазовой калибровки фотобарабана для желтого цвета. |
|
HP 50073 |
Ошибка, возникающая из-за несоответствия данных датчика фазовой калибровки фотобарабана для пурпурного цвета. |
|
HP 50074 |
Ошибка, возникающая из-за несоответствия данных датчика фазовой калибровки фотобарабана для голубого цвета. |
|
HP 50075 |
Ошибка, возникающая из-за несоответствия данных датчика фазовой калибровки фотобарабана для черного цвета. |
|
HP 505XX |
Сбой в работе прошивки лазерного принтера HP. |
|
HP 50599 |
Проблема с питанием платы форматера. |
Важно: В данном случае представлена только расшифровка кодов ошибок HP, так как в большинстве случаев устранить проблему очень сложно, даже для квалифицированного специалиста. Поэтому чаще всего приходится просто заменять испорченную деталь принтера.
Прочие коды ошибок лазерной оргтехники HP
|
Код ошибки принтера HP |
Расшифровка |
Варианты решения |
|
HP 10.XX.YY |
Проблема считывания данных с чипа картриджа (часто сопровождается сообщением «SUPPLY MEMORY ERROR»). |
Переустановить картридж, установить оригинальный картридж HP или сбросить ошибку (подробнее, читайте в статье «Как исправить ошибку памяти картриджа HP»). |
|
HP 10.32.XX |
Принтер определил, что установлен неоригинальный картридж. |
Проигнорировать и пользоваться принтером дальше (может перестать отображаться ресурс картриджа, а также будет часто выскакивать информационное окно о необходимости использования оригинальной продукции). Если нет такой возможности, проблему нужно решать уже исходя из особенностей оргтехники (замена чипа картриджа, прошивка принтера и т.д.). |
|
HP 11.01 и HP 11.02 |
Принтер постоянно запрашивает установку дату и времени, либо они отображаются некорректно. |
Необходимо заменить батарею или форматер принтера. |
|
HP 13.XX.YY (13.A, 13.02.00, 13.03.XX, 13.05.XX, 13.06.XX, 13.12.00, 13.20.00, 13.21.00) |
Произошло замятие бумаги. |
Извлеките замятую бумагу или посторонний предмет. Перезагрузите принтер, проверьте датчики бумаги, а также механизм протяжки бумаги. |
|
HP 20 INSUFFICIENT MEMORY |
Перегрузка оперативной памяти принтера. |
Нажмите продолжить печать, но при этом часть данных может быть утеряна. Лучше переделать файл и отправить его заново на печать. Также можно попробовать очистить память принтера или расширить, за счет установки дополнительного модуля. |
|
HP 21 PAGE TOO COMPLEX |
Принтер не может сжать изображение из-за его сложности. |
Нажмите продолжить печать, но при этом часть данных может быть утеряна. Упростите задание для печати. |
|
HP 22 EIO BUFFER OVERFLOW (EMBEDDED, PARALLEL, USB) |
Переполнен буфер памяти принтера или передаются по определенному каналу слишком объемный материал. |
Нажать продолжить, но данные будут утеряны. Проверить соединения, переключить порты или заменить кабели. |
|
HP 40 EMBEDDED I/O BAD TRANSMISSION |
Ошибка передачи данных. |
Нажать продолжить, на данные будут утеряны. Перезагрузить принтер и отправить повторное задание. Переустановить/заменить серверную карту или плату форматера. |
|
HP 41.3 UNEXPECTED PAPER SIZE IN TRAY X |
Формат бумаги не соответствует заданным параметрам. |
Установить бумагу соответствующего формата или сменить настройки печати. Сменить лоток (если их несколько). Проверить работу механизма протяжки и всех датчиков бумаги. Избавить МФУ от наличия посторонних предметов. |
|
HP 41.5 UNEXPECTED TYPE IN TRAY X |
Тип бумаги не соответствует заданным параметрам. |
Установить бумагу соответствующего типа или сменить настройки печати. Сменить лоток (если их несколько). Проверить работу механизма протяжки и всех датчиков бумаги. Избавить МФУ от наличия посторонних предметов. |
|
HP 41.X ERROR |
Неизвестная ошибка, связанная с протягиванием бумаги. |
Можно попробовать перезагрузить МФУ, почистить ролики захвата бумаги, либо разбирать и искать проблему по пути следования бумаги. |
|
HP 49.XXXXX ERROR |
Критическая ошибка, связанная с микропрограммой (прошивкой, firmware) принтера. |
Перезагрузите принтер, после чего отмените все задания печати, очистите очередь, проверьте обновления для принтера (обновите) и снова попытайтесь печатать при помощи фирменного ПО. Не помогло, пробуйте наоборот понизить версию прошивки, либо перепрошить принтер, установив на него дамп с нового устройства. Замените плату форматера. |
|
HP 50.X FUSER ERROR |
Проблема в работе печки лазерного принтера. |
Выключить принтер и дать ему отдохнуть около 30 минут. Проверить блок печки, почистить и заменить термоэлемент (если он в этом нуждается). Заменить весь блок, БП или плату микроконтроллера. |
|
HP 51.1X ERROR |
Проблема в работе датчика синхронизации луча лазера. |
Перезагрузить МФУ, проверить контакты, шлейфы и различные подключения. Заменить блок лазера или плату микроконтроллера. |
|
HP 52.XX.0 PRINTER ERROR |
Проблема в работе драйвера двигателя лазерного блока. |
Перезагрузить МФУ, проверить контакты, шлейфы и различные подключения. Заменить блок лазера или плату микроконтроллера. |
|
HP 53.10.01 PRINTER ERROR |
Принтер не поддерживает модуль памяти DIMM. |
Перезагрузить принтер. Переустановить или заменить модуль памяти. Заменить форматер. |
|
HP 55.XX.YY DC CONTROLLER ERROR |
Ошибка контроллера DC. |
Перезагрузить принтер. Проверить соединения на плате контроллера, либо заменить плату. |
|
HP 56.XX ERROR |
Неизвестная ошибка, возникшая во время печати. |
Перезапустить принтер. Проверить все контакты. Провести диагностику. |
|
HP 57.XX PRINTER ERROR |
Проблема в работе вентилятора лазерного принтера. |
Проверить кулер на работоспособность, почистить, смазать или заменить. |
|
HP 58.XX ERROR |
Неизвестная ошибка, связанная с работой процессора принтера. |
Проверить все контакты платы контроллера или заменить ее. |
|
HP 59.XX ERROR Main Motor |
Проблема в работе главного электромотора принтера. |
Выключить принтер и дать ему немного отдохнуть. Разобрать и проверить подключения и сам электромотор. Заменить в случае неисправности. |
|
HP 62 NO SYSTEM |
Принтер не может обнаружить систему управления. |
Перезапустить печатающее устройство, обновить прошивку, сменить главную плату. |
|
HP 64 ERROR |
Неизвестная ошибка, связанная с буфером хранения данных для лазера. |
Перезапустить печатающее устройство, обновить прошивку, сменить главную плату. |
|
HP 68.X PERMANENT STORAGE FULL |
Ошибка, связанная с переполнением памяти NVRAM. |
Продолжить печать, перезапустить принтер, очистить буфер памяти. |
|
HP 79.XXXX ERROR |
Критическая ошибка, связанная с аппаратной частью принтера или МФУ. |
Здесь может быть все что угодно. Нужно перезагружать принтер, разбирать и искать проблему. Чаще всего, дело заключается в неисправности материнской платы устройства. |
|
HP 8X. XXXX EIO ERROR |
Критическая ошибка подключения дополнительного модуля. |
Перезапустить принтер, переподключить модуль, обновить прошивку. Заменить плату форматера. |
Внимание: Не пытайтесь самостоятельно починить печатающий аппарат, если не имеете опыта сервисного обслуживания оргтехники. Лучше доверьте дело специалисту.






















